







Einfaldur blásari frá Östberg
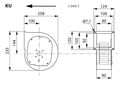
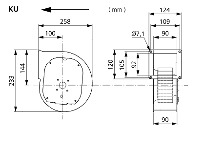
Gerð: RFE 160 CKU
Single-phase single inlet radial fan.
Compact with high capacity and efficiency.
Low sound levels.
Impeller with forward curved blades.
The external rotor motor has maintenance-free sealed ball-bearings.
The motor is situated in the airstream to get ultimate cooling.
Integrated motor protection.
Junction box has enclosure class IP 54.
For speed control a transformer or electronic speed controller can be connected.
Fan housing is manufactured from galvanized sheet steel.
Ideal for use in heat exchangers, dehumidifiers and air cleaners.
Can be ordered as: KU = With junction box, without connection pipes.
All diagrams shown with duct connected fan.